GB-ML系列是将军生产的全新一体式铝制系列燃烧器。GB-ML系列符合欧盟安全标准(CE标准),并根据欧盟IOS9001:2008质量体系认证。
采用耐热,耐磨的优质钢材制成;火焰盘经特殊设计,可以保证稳定火焰,从而达到完美的燃烧。低氮的设计,全部采用点火枪直接点火。同时适用于空气/蒸汽雾化。
GB-ML系列可以在天然气,柴油,重油及混合燃油使用。更可以定制燃烧器燃烧特殊气体(如沼气,乙醇)。GB-ML系列适用于安装在热水锅炉,蒸汽锅炉,导热油炉以及其他设备上,同时适用于电站启动锅炉。
使用铝合金铸造生产,最大程度的提高强度并减轻本身重量,便于搬运和安装。阀组可根据现场情况安装在燃烧器的左侧或右侧。安装在燃烧器上的油泵系统,配有软管及流量控制阀。倒置式风扇设计使通风性更高。进气消音罩同样为铝合金制造。适用于各种特殊应用。
可升级为电子版本(EM),标准配置为BT330控制器。通过电子调节可实现更好的燃烧,从而达到氮氧化物低于30mg的排放要求。同时更可提供防爆ATEX版本。
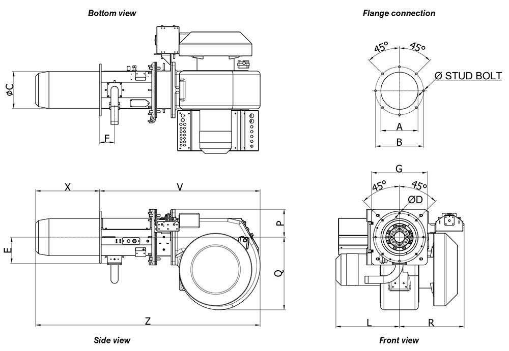
| A | B | C | ØD | E | F | G | L | P | Q | R | V | X * | Z | Ø STUD BOLT |
| 570 | 662 | 546 | 16 | 396 | 173 | 710 | 822 | 355 | 778 | 662 | 1720 | 545 | 2265 | M14 X 50 |
(X*)上述X值会根据不同低氮要求进行更改,标准配置为X=500.如果需要不同的尺寸,请联系将军中国联络处获取更多信息。
尺寸以mm标书,仅供参考,如有更改,恕不另行通知。为了获得更准确地参数,请联系将军中国联络处。

